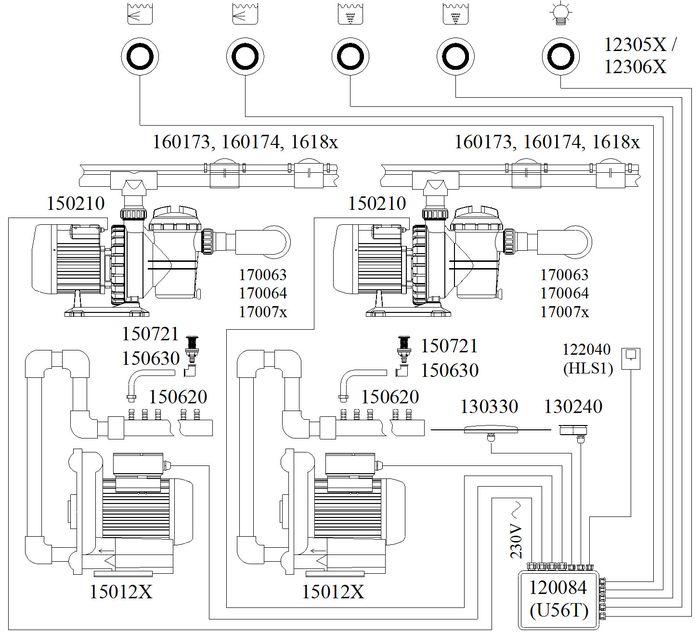
Electronic control panel U56T
Related products
120086
Connecting cable
between electronic control...122041 HLS-K
Capacitive water level sensor with connector...
for electronic controll U =...123054
Stainless steel momentry switch
green LED ring illuminated, 5...123055
Stainless steel momentry switch
blue LED ring illuminated, 5...123059
Stainless steel piezoelectric momentary...
1 A/12 V, IP68, diameter 18 mm123060
Stainless steel piezoelectric momentary...
1 A/12 V, IP68, diameter 18 mm123062
Stainless steel piezoelectric momentary...
blue iluminated ring, LED 1...123063
Stainless steel piezoelectric momentary ...
green iluminated ring, LED...123064
Stainless steel piezoelectric switch flat
red iluminated ring LED 1...123065
Stainless steel piezoelectric switch flat
white iluminated ring LED 1...
* All prices are exclusive VAT EXW.














