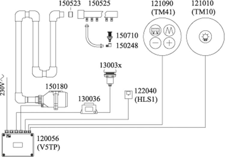
Electrical wiring diagram
Related products
121010 TM10
TM10 Membrane button
the function - light ON/OFF122040 HLS
Capacitive water level sensor HLS1
for electronic controll U =...130031
Halogen light
12 V / 50 W, MR16, IP68130038
Safe transformer
input 230 V, output 11, 5 V,...150180
Blower SAC400
400 W, Q = 1,19 m3/min., 230...150523
Check-valve 32 mm
for air distributor150525
Air distributor
32 mm - 6x10 mm, PVC150710
Air jet SLIM
length 60 mm, height of...
* All prices are exclusive VAT EXW.












