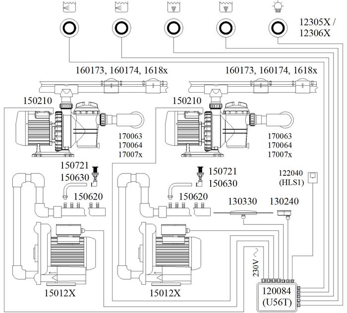
Electrical wiring diagram
Related products
122040 HLS
Capacitive water level sensor HLS1
for electronic controll U =...123057
Stainless steel momentry switch
blue LED ring illuminated, 5...123062
Stainless steel piezoelectric momentary...
blue iluminated ring, LED 1...130240
Light CoolLight max. 25 W
1x module 25 W LED, 14 V DC130330
Underwater light CoolLight 50 W, stainless...
4 x 25 W module, white LED,...150125
Blower/air pump
2200 W, Q=58 l/s, 380 V/50 Hz150125
Blower/air pump
2200 W, Q=58 l/s, 380 V/50 Hz150210
Pump with pre-filter CAP1500
1500 W, 230 V/50 Hz, Qmax....150721
Air jet SLIM
length 60 mm, height of...160187
Minijet escutcheon with directional eyeball,...
diameter 70 mm, ABS /chrome
* All prices are exclusive VAT EXW.












